《内蒙古自治区矿山地质环境治理办法》已经2015年3月17日自治区人民政府第42次常务会议审议通过,现予公布,自2015年5月1日起施行。
自治区主席 巴特尔
2015年3月27日
内蒙古自治区矿山地质环境治理办法
第一章 总 则
第一条 为了减少矿产资源开采活动造成的矿山地质环境破坏,保护矿山地质环境,根据《土地复垦条例》、《内蒙古自治区地质环境保护条例》和国家有关法律法规,结合自治区实际,制定本办法。
第二条 自治区行政区域内的矿山地质环境治理活动,适用本办法。
本办法所称矿山地质环境治理包括矿山地质环境保护与恢复治理、矿山土地复垦。
第三条 矿山地质环境治理坚持保护优先、预防为主、综合治理、公众参与、损害担责的原则。
第四条 旗县级以上人民政府国土资源主管部门负责本行政区域内矿山地质环境治理工作的监督管理。
其他有关部门按照各自职责,做好矿山地质环境治理相关工作。
第五条 采矿权人是矿山地质环境治理责任主体,全面履行矿山地质环境保护与恢复治理和矿山土地复垦义务,治理费用列入生产成本。
第六条 自治区鼓励矿山地质环境治理科学技术研究,普及相关科学技术知识,推广应用先进技术和方法。
鼓励公民、法人和其他组织对已经关闭或者废弃矿山的地质环境投资治理。
矿山地质环境治理后,具有观赏价值、科学研究价值的矿山遗迹,鼓励开发为矿山公园。
第二章 矿山地质环境治理
第七条 旗县级以上人民政府国土资源主管部门负责编制本行政区域的矿山地质环境治理规划,报本级人民政府批准实施。
矿山地质环境治理规划应当符合土地利用总体规划、城乡规划和矿产资源总体规划,并与地质灾害防治规划、土地整治规划等相协调。
第八条 采矿权申请人申请办理采矿许可证应当提交矿山地质环境治理方案。
矿山地质环境治理方案应当委托具有相应资质的单位编制,并报具有批准权的国土资源主管部门审查。
矿山地质环境治理方案包括矿山地质环境保护与恢复治理方案和矿山土地复垦方案。
第九条 采矿权申请人未编制矿山地质环境治理方案或者矿山地质环境治理方案不符合要求的,有批准权的国土资源主管部门不得颁发采矿许可证。 第十条 国土资源部颁发采矿许可证的,采矿权人应当将审查通过的矿山地质环境保护与治理恢复方案和矿山土地复垦方案报矿山所在地盟行政公署、设区的市人民政府国土资源主管部门备案。
第十一条 本办法施行前已经领取采矿许可证,且本办法施行后继续从事矿产资源开发的采矿权人,应当自本办法施行之日起一年内,按照本办法规定补充编制矿山地质环境治理方案。
第十二条 采矿权人应当根据矿山地质环境治理方案编制矿山地质环境保护与治理恢复和矿山土地复垦分期治理方案(以下简称分期治理方案)。 分期治理方案应当委托具有相应资质的单位编制,并报具有批准权的国土资源主管部门审查。
第十三条 鼓励相邻矿山在矿山地质环境治理过程中实施联合治理,编制联合分期治理方案,经国土资源主管部门审查后实施。已编制联合分期治理方案的,不再编制单个矿山分期治理方案。
第十四条 矿山地质环境治理每三年为一个治理周期。
矿山剩余服务年限在三年以下的,采矿权人应当根据治理方案一次性完成矿山地质环境闭坑治理。矿山剩余服务年限超过三年的,采矿权人应当根据分期治理方案实施矿山地质环境治理。
第十五条 采矿权人应当在矿山开采前首先对拟损毁的耕地、林地、牧草地进行表土剥离并单独存放,剥离的表土用于矿山地质环境恢复治理。
第十六条 旗县级以上人民政府应当采取措施,对历史遗留的、政策性关闭的矿山地质环境进行治理。
第十七条 旗县级以上人民政府国土资源主管部门应当建立年度检查制度,对全区矿山地质环境治理方案的落实进行监督检查。
第三章 保证金缴存与管理
第十八条 在自治区行政区域内从事矿产资源开采的采矿权人,应当缴存矿山地质环境治理保证金。
第十九条 矿山地质环境治理保证金属于矿山地质环境保护与恢复治理和矿山土地复垦担保资金。
已缴存矿山地质环境治理保证金的,不再缴纳土地复垦费。
第二十条 矿山地质环境治理保证金实行企业所有、政府监管、专户储存、专账核算。任何单位和个人不得截留、挤占、挪用。
第二十一条 盟行政公署、设区的市人民政府国土资源主管部门为矿山地质环境治理保证金缴存管理机关,负责保证金的缴存和管理。
第二十二条 矿山地质环境治理保证金实行属地管理。采矿权范围跨行政区域的,保证金应当向负责采矿权日常监督管理的国土资源主管部门缴存。 第二十三条 盟行政公署、设区的市人民政府国土资源主管部门可以将普通建筑材料使用砂、石、粘土矿的矿山地质环境治理保证金缴存和管理,委托旗县级人民政府国土资源行政主管部门实施。
第二十四条 旗县级以上人民政府国土资源主管部门应当会同同级财政部门对矿山地质环境治理保证金的管理实施监督。
第二十五条 采矿权人在缴存矿山地质环境治理保证金时,应当与所在地盟行政公署、设区的市人民政府国土资源主管部门签订矿山地质环境治理责任书。
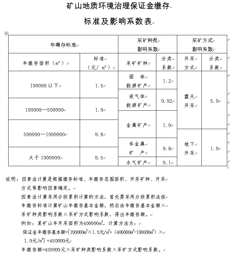
第二十六条 矿山地质环境治理保证金缴存标准应当按照不低于矿山地质环境治理费用的原则,根据本办法所附的《矿山地质环境治理保证金缴存标准及影响系数表》,以因素法计算与治理方案综合比较,按就高原则确定。
第二十七条 开采普通建筑材料使用砂、石、粘土矿和矿山剩余服务年限在三年以下的,应当一次性全额缴存保证金;矿山剩余服务年限超过三年的,采矿权人出具缴款计划和承诺书后,可以分期缴存,每期缴存额不得低于三年应缴额。
第二十八条 矿山开采方式、矿区范围、生产规模、主要开采矿种发生变更的,采矿权人应当重新编制矿山地质环境治理方案、签订矿山地质环境治理责任书、核定并缴存矿山地质环境治理保证金。
采矿权转让的,矿山地质环境治理责任和已缴存的矿山地质环境治理保证金一并转让;保证金无法转让的,应当重新缴存,并重新签订矿山地质环境治理责任书。
第二十九条 每期矿山地质环境治理工程完成后,采矿权人应当申请对矿山地质环境治理工程进行验收。国土资源主管部门应当自接到验收申请之日起三十日内完成验收,验收合格的,矿山地质环境治理保证金结转到下一个治理周期。
连续两期矿山地质环境治理验收合格的生产矿山,经矿山地质环境治理保证金缴存管理机关同意,可以提取部分矿山地质环境治理保证金,专项用于矿山地质环境治理。
第三十条 采矿权人终止采矿活动或者矿山闭坑前,应当申请对矿山地质环境治理工程进行验收。验收合格的,国土资源主管部门应当在七日内返还保证金和利息。
第四章 法律责任
第三十一条 编制单位编制矿山地质环境治理方案或者分期治理方案弄虚作假的,由旗县级以上人民政府国土资源主管部门处以3万元罚款,给他人造成损失的,依法承担赔偿责任。
第三十二条 本办法施行前已经领取采矿许可证,本办法施行后继续从事矿业开发的采矿权人未按照规定补充编制矿山地质环境治理方案的,依据《土地复垦条例》第三十七条规定,由旗县级以上人民政府国土资源主管部门责令限期改正;逾期不改正的,处以10万元以上20万元以下罚款。
第三十三条 违反本办法规定,采矿权人未对拟损毁的耕地、林地、牧草地进行表土剥离的,根据《土地复垦条例》第三十九条规定,由旗县级以上人民政府国土资源主管部门责令限期改正;逾期不改正的,按照应当进行表土剥离的土地面积处以每公顷1万元的罚款。
第三十四条 违反本办法规定,采矿权人未履行矿山地质环境治理和矿山土地复垦义务的,根据《土地复垦条例》第二十条规定,由旗县级以上人民政府国土资源主管部门责令限期履行;逾期不履行的,在申请新的采矿许可证或者申请采矿许可证延续、变更时,有批准权的国土资源主管部门不得批准,并将其违法行为纳入社会信用体系,列入矿山地质环境治理诚信档案黑名单,与企业信用信息公示系统资源共享。
第三十五条 违反本办法规定,采矿权人拒绝、阻碍国土资源主管部门监督检查,或者在接受监督检查时弄虚作假的,根据《土地复垦条例》第四十三条规定,由国土资源主管部门责令改正,处以2万元以上5万元以下罚款。
第三十六条 国土资源主管部门及其工作人员在矿山地质环境治理监督管理中玩忽职守、滥用职权、徇私舞弊的,依法给予行政处分;构成犯罪的,依法追究刑事责任。
第三十七条 本办法自2015年5月1日起施行。2013年2月22日发布的《内蒙古自治区矿山地质环境治理保证金管理办法》(内政发〔2013〕23号)同时废止。
